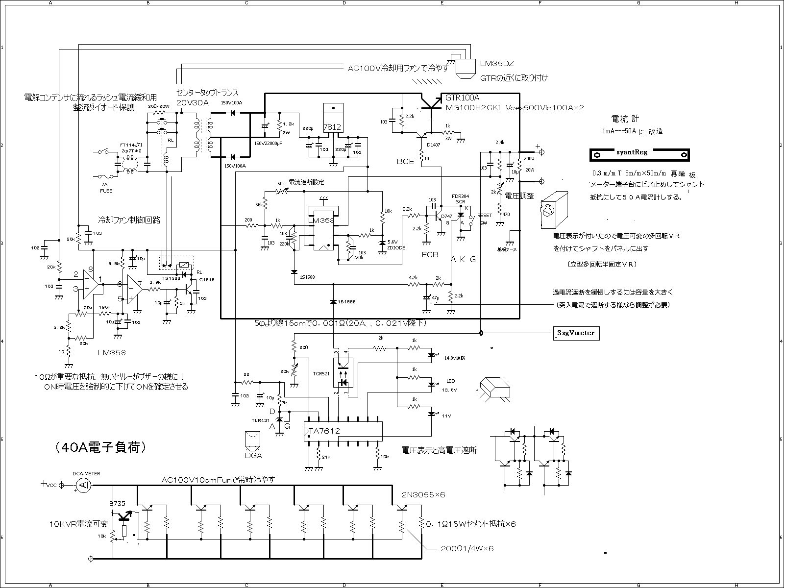
電源30A(10V〜15V)、ジァイアントTRと30A、CTトランスで実現、
過電流は遮断(切り替えでラッシュ電流対応)、SWで復帰、過電圧遮断回路、
自動強制空冷、<13V30A負荷時0.5Vの電圧降下>

重量14Kg



ジァイアントトランジスター。大きくてブレーカーの様、ラッシュ電流緩和用リレーと抵抗、整流ダイオードは放熱器に付けて、


AC100vのファンを自動で回すコントローラー、トランスと電解コンデンサー

当然ながら出力に直流しかない。電圧変動は13.8v30Aで0.1vの電圧降下で本当にGaiantTRすごい

電流と電圧監視に古いメーターを改造、1977年製、良くぞまぁまとも動く、Made in Japanの底力

シャント抵抗を真鍮版で作るが抵抗値が低すぎてメーターがたいして振れないのでステン板で作る


テスト用の電子負荷AC100Vで強制空冷,VRで負荷電流を可変
連続で30A流すと10分もするとヒートシンクもトランジスターも 50℃を超える暑さ連続負荷は無理な様だ。
放熱器の容量不足をFUNだけでは不足だ!!電圧が下がる電流容量の確認位でやめる。。
捨てるしかない、 ジャンクのヒートシンクがこんな所で活躍