ANT直下取り付け用144MHzトランスバーター





(アンテン製同軸ケーブル損失計算尺)
同軸ケーブルの損失は周波数が高く成れば比例して増える。
144Mhzでのケーブル損失  5D2V10m長 −1dB
8DFB 10m長 −0.5dB
N.Fを計測       5D2V10m −3dB
8DFB10m −0.2dB
ついでに内部配線用の使う2Φテフロン同軸2DFB、0.6mでー1dB
2Φ同軸管  0.2m長 −4dBと以外な結果だ。
トランスバーターの出力は28Mhz、 5D2V、20m長くらいでおろしていたら損失はー1dB

144MhzでキャビティでRFampを作ると20cm長でケースに内蔵できる。
FMの混変対策にも成る事を期待して。


キャビティを無負荷Qを7000以上GasFET571の入力インピーダンスは200KΩと想像
出力は200Ω位、G=は200000/200で20dBのゲインがとれそうだ、実測で確認
単峰の特性。SSB波なので200kHzもあれば十分、後はFMでどうにもならん。

TX−IF  コイルはテフロン被覆銀メッキ単線で自立空芯にタップを取る。大きく隙間を開けて

TX Fainlのコイルは銀板で作る、トリマーは耐圧250V銀メッキ、と豪華部品を使う
SSBで50W出力、電流は6A以上、これが一番の問題で0.25スケのビニール被覆撚り線の20m
長さの損失の多さが想像以上で対策に四苦八苦した。ケースの外付け付けでAVRを組むが電流に
対応しきれない。100vACをあげてAC−DCcnvで12V−7Aを近くに設置しないと対応できない事が分かる
AVRの電圧監視するリモートセンシングでもコードが同じだけ必要、電流だ小さい分少しは改善するがSSBの電流変動に追いつけない。

TA7358はAM,FM用ラジオ用のMixer、TrでDBMが組まれている、DiodoのDBMに比べたらゲインが有り、高い周波数では有利、混変にも強い、FMのモガモガ対策。


Xtalを他に使う都合で局発を外していたので、新しく作り替えた。
近接の信号は影響ない周波数、でも綺麗に消し去りたいがBPFスペースが取れないのでこのまま、
RFの初段のCavAnpの2SK571ドレインのFT12-43Buff4Tを200Ωの抵抗に替えてみたがトランスに戻した。
28Mhzの親機の送信出力が10W、ヤンガーステージから引き出したい所がスパースが無い、仕方なく
トランスバーター内に50Ω10WのDamyをシールドケース組んで近接させた50Ωの抵抗からー40dBで引き出す


出力は45W(13.8v 7。5A)103.5W/45wで効率は43%でまぁ標準かな。近接のスプリアスも抑えて綺麗に
ファイナルにはトリマーを沢山付けて調整するようにしてスペアナで波形を見て目的の周波数に追い込む。出力計だけでは違った周波数でも
針は振れてしまう、スプリアスも不明で綺麗な目的周波数に追い込めないのでスペアナは必需品だ、交信が目的ならメーカー製を買った方が安い






ALL mode 144Mhzハンディ用TRV FT290 1W/10W





買い求めて山に登って移動運用をやって見たら全く聞こえなくてQSO出来なかったからもおいらね、というので2万円でほぼ新品を買う。
しかし自分も1度もQSOに使っていないが外観は薄汚れてまぁ、リニアを外すと1W、その割には重い、周波数の表示が小さ過ぎて見ずらい。
切りがないが144Mhzというバンドも都会では決まった局長さんしかQSO出来ない、FMとの混信が激しいと困ったバンドだ、DX狙いでワッチしていた
決まったシーズンだけ異常伝搬で遠くがQSO出来る。そんなんしてオールエリアをクリアしたので卒業した。

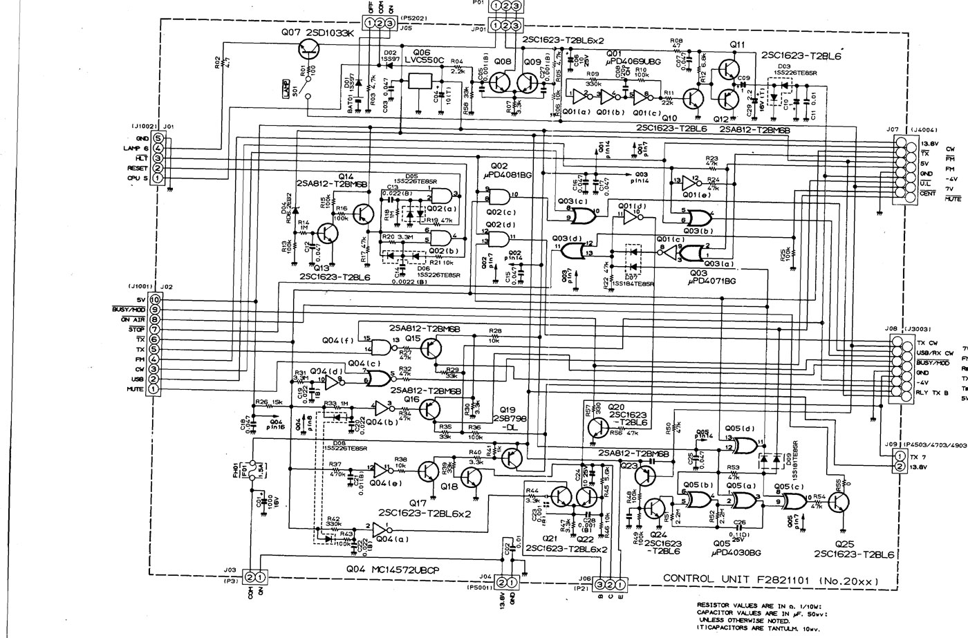
各ユニットをつなぐコントロール回路

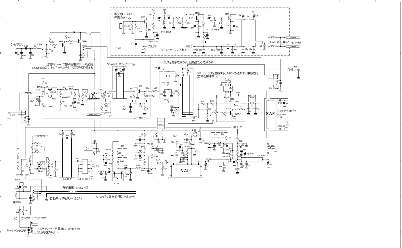
送受信のRF回路、受信回路のMixerはG2に局発を注入するtypeで変換利得も有りコストも安いが、2mバンドでは混変を受けやすく全く頂けない。
50Khz離れた局のモガモガで交信が出来なくなる。ここを改造して使いたいが、キャビテイとMixerの2つで高級機に変身だ。


PLL回路とFM IF回路. VCOの出力とVXOをMixしてMC145145にFinする、回路図に周波数の表示が欲しい、
PLL out はMixされた低い周波数で位相比較されるが、そのPD outの電圧でVCOがcontrolされる。



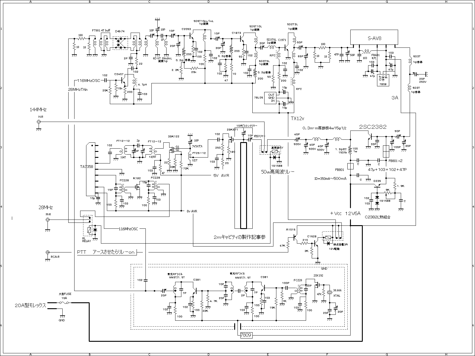
各モードで1Wを10Wにするリニアアンプ



FT290 移動用ながら混変に弱く足も手も出ない。FMのかぶりもひどい2mは死に体バンドだ

RFアンプにキャビティを追加、FstMixerをダイオードDBMに替える

43Φのアルミパイプで作るとかなり太い。Qoもかなり上がり狭帯域のBPFが期待出来る

今はほとんど入手困難な部品、高い周波数まで安定な高耐圧TC(250V)中は2重の円筒で構成
内筒がアルミパイプの為トリマーとの接合は圧入、初期のO.Pアンプのカンタイプを切り出す

アンテナとキャヴィティの高いインピーダンス変換用に、円形TCなので180°でMax〜Minの移動かと
思いきゃ、45°で最低値を通り過ぎて半回転で元に戻るという。アッの唖然な事実を後で知る。

外筒が太かったので中に基板でTCを組みアンプを入れて特性を測るがまったく何処かに同調点が飛んでしまい
キャビティを作り直したりしても目的の周波数に無い。試行錯誤の末にアンプは外付に、強電界の中で
発振していた。ギガTCの調整も誤っていた。

ボルトロニクスのTCを留める外筒の蓋、ありきたりの部材で作ったが、全閉すると同調が外れる、かなり
インピーダンスが上がり僅かな事で発振してしまう。仕方なくU字型の銅板で同調片とする(迷結合)
動作は安定したが高いQuがもったいないが、安定が優先。

アンテナとキャビティの整合に使ったギガトリマー。最低点の赤マークを付けて回すのは0.1m・m位
おおざっぱには回せない。出来たらN.Fの最低点を探さなくてはならないがほとんど分からない

計算上の無負荷Qは20593 3dB幅は143.2〜145.2MHzで負荷Qは68.5とまぁすごい
挿入損失はー1dB。キャビティアンプのゲインは28dB。NE7608を3v7mAで駆動

1GHzまで特性を見ると3倍、5倍と共振して教科書通り

FT290に組んだダイオードDBMとポストアンプの手前にLマッチ、局発をC3355で増幅、50Ωに整合

本体に鉄蓋をしなければならないが、  僅かな基盤を追加しただけながら発信しかけて雑音が6dB
も増える、それではと鉄蓋に替えてアクリルでスケルトンにして趣をかえる、少し強度が心配。
更にATTを追加、同軸の引き回しも有り壊れない様に引き回すのがもう一工夫が必要だ。

3次混変調ひずみ積は二乗で増加するのでRFATTで2乗の効果が期待できる。現代のTRVは1stMxerの後
に高いIF、狭帯域(5〜15Khz)のルーフィングFilterで混変が無い。がポータブルTRVは
そこまでやってない。

3dBのATTを3段でー9dBに組み直してケースの脇に張り付けてむき出しながら小型で気に成らず。

キャビアンプは発信しやすくアンプ部を蓋をすると発振してしまう、仕方なくアルミで頂部に蓋、


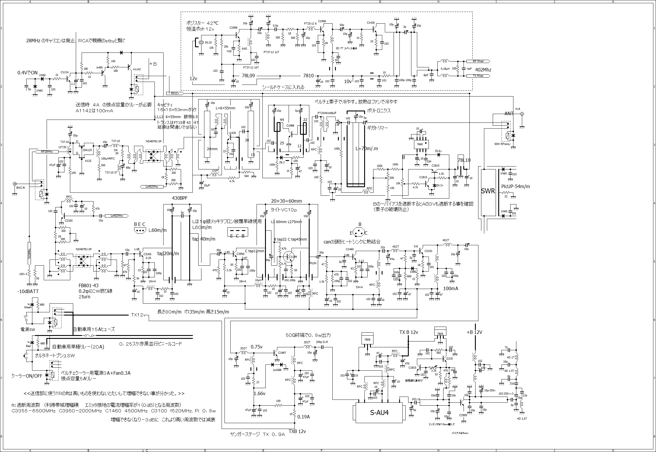
430Mhzトランスバーターをアンテナ直下に、ケーブルロスは馬鹿にならない、
がこのバンドはほとんど死にたい。無免許で連絡用にFMのハンディを使う為、バンド
プランも知らないのでめっちゃくっゃ、携帯が普及したのでそれは無くなったかんな?




うまく送信が増幅しないのでずいぶん試行錯誤したが、発信に悩まされて回路を
オーソドックスに変える、BPFも変更、作り変えて汚くなる



キャビアンプを固定バイアスにしてペルチェ素子(P.CのCPUの冷却用)でガリヒ素を
ひやして雑音の2つの要素を減らす。20dBのGainには届かないがこの周波数では
良くできた。±3dBは429〜434MHzQo=86と十分狭帯域、キャビティの効果が出た


Cavampの次のBPFはftの高いTR 2SC1899のエミッタ接地でN.F重視、
次のBPFはパワーTRを使い20mA流してN.F重視と凝り固まった構成にするが、
BPFの中にTRを入れると難しい事が沢山出てきて苦労した


二段のBPFアンプを出来るだけ小さく構成、430MHz用疎と外付プリアンプキットを流用
ftの高い2SC1899をエミッタ接地で組む、雑音の一つの抵抗を無くする。次段のBPFアンプ
を銀板をコイルにしてパワーTRの2SC1426で20mAを流してNFを下げる効果。とかなり欲張る

TXのFinalngが蓋兼用ヒートシンクに取り付けたら側面のRFが当たってしまうので局発の上に移動

3段BPFのRFアンプの特性。RF3段も必要か?ながら混変にも弱く成り良い事は無さそうだが聞こえない
事には始まらないのでN.F重視で構成してみた。時間もかかり高い周波数の難しさ痛感した。500k巾の特性はかなり見栄っ張り

bandwitghを見るため50k幅で特性を撮る430〜470MHzと40MHzでこんなには
要らなかったが3段の悪い面が出てしまう。430÷40(3dB巾)=Qoが10.7とかなり低い。


28MhzのGGアンプの特性、殆どGainは取らず
ーーーー(送信部)ーーーー

終端型電力計の出力の針は触れる。他のトランシーバーでモニターすると綺麗に聞こえる。
しかしスペアナに430MHzに波形は無し考えられる事402−28=374が同調して
出力に成っていたのか、波形は見当たらのだが?×2の860MHzに出力がと思うが波形は
430の出力が無い?全体でBPFも含めて特性を取り直す。BPFに負荷をつなぐとかけ離
れた特性に成り、タイトトリマーが錆びるといけない様だ。タップも下げる(7m/m)これで
430MHzさらにC1967を追加。バイアスをドンドン流して何と出力が出た、


2段にBPFを入れTR3段の増幅、これが難しい、ベースとコレクタのインピーダンスの考察で苦労した

何回調整しても単峰に成らない、困ったものだ。取り合えずGainは20dBで0.2W出力なら後はパワーパックに任せる
DBMはうまく動作せずUHF用に作り変える、DBMのトランスをFB801#43Buffの2Tに変え
DBMのDiodo(ND487R2−3p相当品に)を変え、BPFの入力を変えて、キャリァの
402MHzを増幅し過ぎたか出力の波形に現れる、電力計の針はキャリァ漏れを示していないので
OKとする。IF回路全部で特性を取るとかけ離れた特性に成っている、見るたびに違う特性に成り、
さてさて面倒な事に成っている前段のコレクタ出力を同調形にしたかったが、目的周波数に持って行く
事が出来ずトランスでインピーダンス整合を試みる、トランジスタのftの高ーい物に変える、しかし
402MhzのLoが出力にすっぽ抜けでどうにも消えず、市販のTUF-2に替える。LOの増幅段が必要ない
様なので削除。BPFの特性も鈍い単峰特性にして430まで追い込めたこのTXIFだけで0.2W位に
増幅しないと、幸いな事に2SC2905に作りかけの基盤とS-AU4のパワーパックも出てきた。これでリニアアンプが作れる




キャビアンプに付いているペルチェ素子で冷却(CPU冷却用)で雑音の要素の1ツ温度を下げる効果
に期待しかし冷やすと結露でひどい事になることがわかり発砲ウレタンのスプレーで断熱を試みる、
しかしこれが相当な曲者スプレーはどこでも売っているが使い方が要注意!スプレー缶から発射させ
たら止めても缶内で固まってしまうという曲者固まるまでに3倍に膨れ上がる。固まると泡が大きく
膨れて断熱に成るのか心配、、3日がかりで乾燥、ナイフで形成、塗装

焼き餅の様に膨れた膨れた、奥さんのふてくされたように

受信に特徴が有り、RFアンプは同軸キャビチィ構造、増幅素子のソース抵抗を無くしてゲートに
マイナスを駆けてドレイン電流を加減しキャビティもペルチェ素子で現在温度より−16℃まで下げる
機能を付けた力作だ

IFを28Mhzにすると局発は402Mhzが必要、PLLでは無くてXtalの8逓倍で目的の402MHzにスプリアスの山で凄いこと
に成りそうだが、スペアナで波形観測が出来る様になったので挑戦、50.25MhzのXtalはオーバートーンだから割る3なら16.75Mhzこれの
30逓倍と恐ろし気な現実、昔々の記事から以前に作りぱなしで投げて置いた物を再挑戦だ。1Gの幅でププリアスが隙間の無い程画面いっぱいだ
トリマーの調整だけで旨く402Mhzだけに成った。回路設計が良かった。CQ誌のV.UHFマニウアル1300円、ありがとう。




IFが28Mhz、局発のスプリアスがIFの乗っかってはどうにもなりません。

局発が出来たら半分は出来たような物、次はRFアンプこれはキャビテイでMixerはダイオードのDBMと豪華、




親機28MhzALLMode機(台湾製、アメリカ向けのCB機の溢れた横流れを1万円で買う)
  ハム月販の相模原に投げ売りされていた、オールモードでSSBに出られるので買うが、だいぶ改造した。がキャリアがVXOには参った
送信電力25Wも有るので、影響を受けて周波数がフラフラAMになってしまう、困った。Xtalが無い、作る会社も無い。


PLLはスイープバーニァタイプかな?理解できず。10Kと9.9Kの基準をアダーの代わりにROMに入れた加算器で 100HzステップでPLLを進める、とおもうなだが不明、
しかしSSBのIFがいけない、IF3段で60dB を稼ぎAGCをかける様に、RFの初段はRFGainのVRが付いているのでATT兼用で使う、



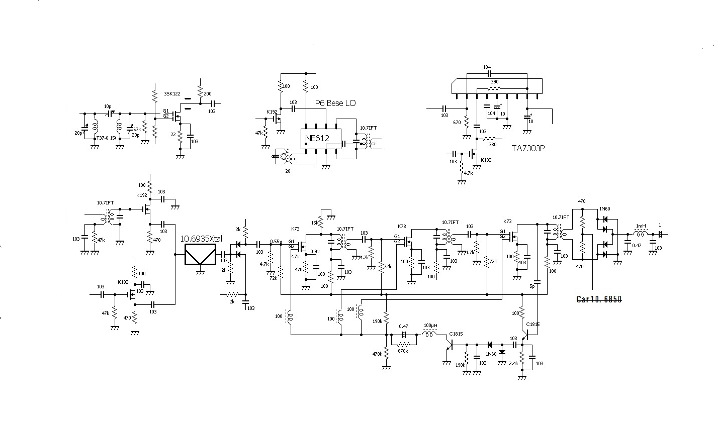
IFの周波数が不明の為計測すると10.690?本当かな校正のすべも無く10.7では無いことを確認、付いてフイルター はリプルでは無く異様に離れた双峰の特性、
いくら何でもこれでは頂けず、10.6935のXtalに変えることに,PLLの基準10.245のトリマーと隣 のLのコァーを回すと17.8065にロックのする
28.5MHz−10.6935MHz(IF)=17.8065MHzがVFOの周波数、CARはUSB=10.620MHzLSB=10.6950MHz
USBの周波数とLSBの周波数を逆にすると変な事に成る、1.5KHz下で聞こえる、USB,LSBの切り替えても音声がすっきりしない
いつもIFと+でVFOの周波数を設定していたので同じかと思いきや変なTRVが出来てしまった
100Hz以下わFineというRit風が付いているので解決。これで改造できた. 測定して完璧にして親機に役立てる