局発がいくつも有る為、各C.Nは必ず見てきれいな局発に。出力をBPFに通してもきれいに成らない。

何年か過ぎて通電して見るとこんな波形、まぁまぁ使えそうだ。しかし10KHz周波数がずれて低く表示




太いアルミパイプで長さ可変の構造にしたキャビティRFアンプ。ドレイン電圧3Vのせいか、雑音が明らかに高い。帯域は狭帯域に成る

パワーTRで30mAのコレクタ電流を流すとNFBを架けなくても静か、ゲインは上のCAVampより低い、帯域の広く取れた。

MixerからIFの最後までの特性。9Mのクリスタルフイルターの中のコイルを焼き切ってしまったので心配していたが無事使えた

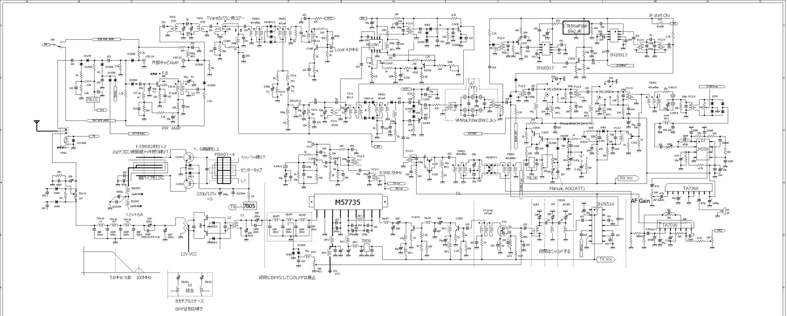
−3dBは53MHzとうまく調整できたLPF、100Mhzで減衰させたいがこれが限界,BPFに100Mのトラップを入れるとか考えないと無理だ

実際のLPF、BPFとLPFの合成でIC−756のまね


100MHzの減衰が十分でないのでシールドケースに入れてみたが、100Mでトラップに成っていなかった
80MHzのトラップは強く効いているが、100Mは抜けている。2ケの並列共振をディップさせれば調整
出来たものを何で調整しなかったか悔やまれる、次回再挑戦、課題を残してしまった。