長波135KHzのトランシーバーの製作記。 PTO+FLLの試験





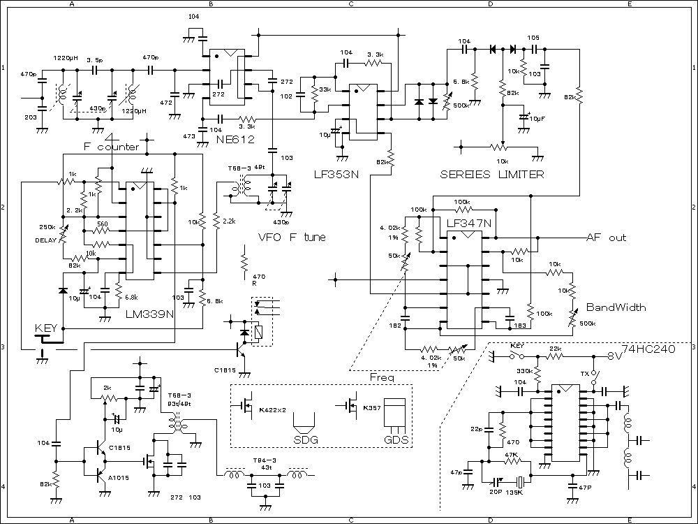
ARRLの記事、AF段で処理、BandWight可変、CWを聞きやすく

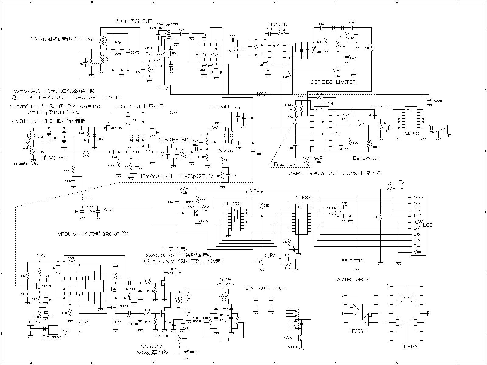
135KHzのコイルの手巻きは不可能、ブントンの古いQメーターが活躍

455KhzIFT(15mm角)、AM用バーアンテナの改造で凌ぐ

50wのパワーにしては小さく作り過ぎた、VFOにAFCをかけるもQRH、何ともならず作り直す

AF段で可聴周波を可変して混信から逃れる


2台目はVFOのQRHを無くする為、PLL化、AF段は古い技 Qマルチ





コリンズのPTOのJRC版、μ可変のVFO(1978年1月製) 
2.3MHz〜3.5MHzと1MHzの可変幅で10Hz台が動く程度と安定
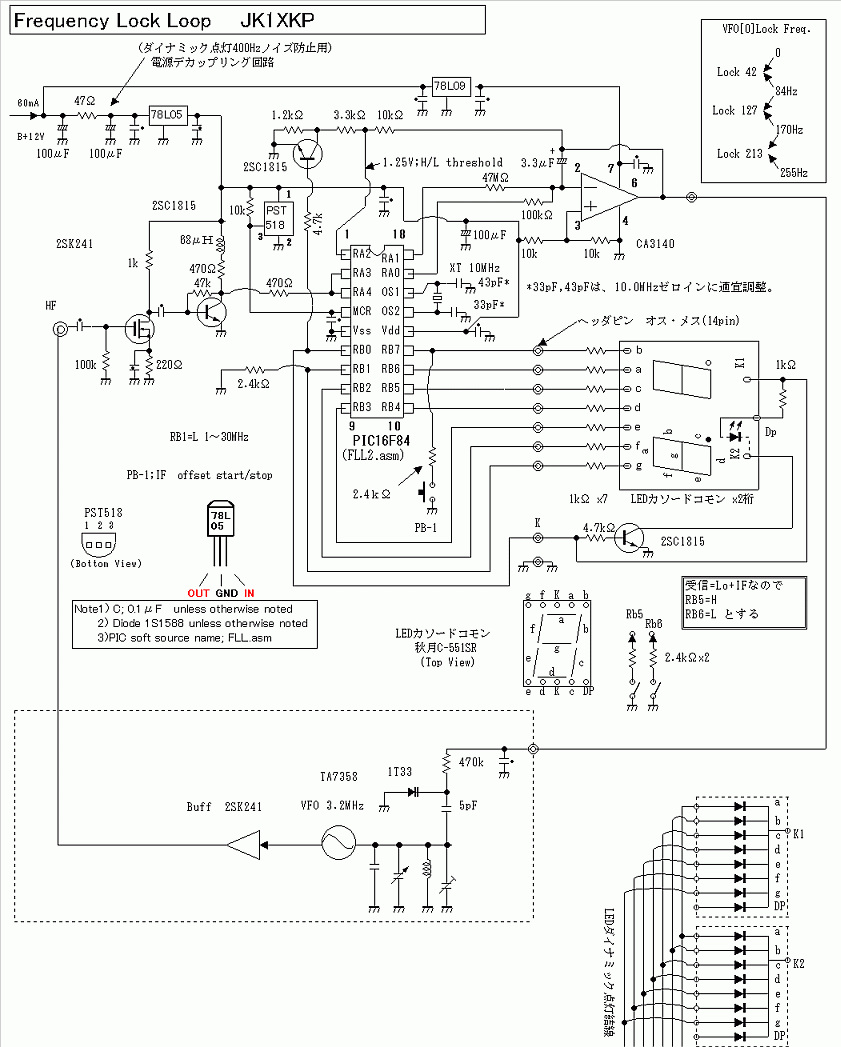
FLL回路を組み合わせるとPLL並に安定する。


外観と内部

回路

発振させるとスプリアスは大変なことに、

FLL回路を付けて安定化(XKP設計)

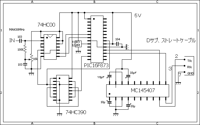
発振周波数の安定度をCYTEC製のデーターロガーで見る

データーロガーの回路図

試験中の様子