
鉄製ケースをアルミに変え1kgにFinalはDC-DCコンバーターで24vにUPして10w
をえているが、うなってやかましいので取り外すと12vでは3wに成ってしまう。

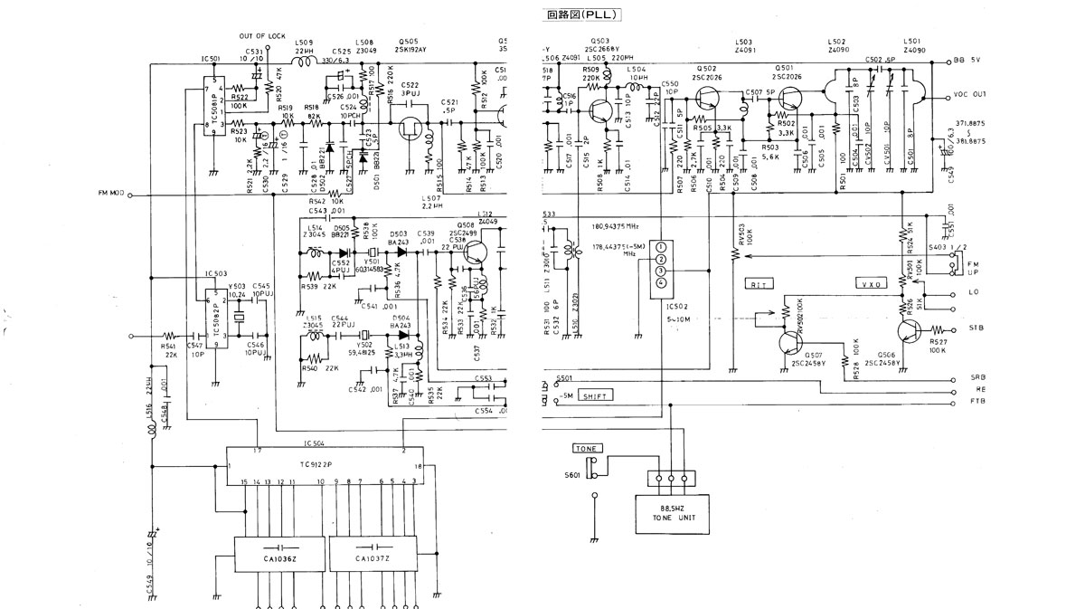
回路は結構面白い、AGCは解読できず、水晶発振とVXOの組み合わせでVFOに成っている。
430MHzのハンディTRVと言えばFMが主流、その中で唯一SSBとFMが使えるハンディリグ

1wを35Wに増幅するリニアアンプ、これでそこそこ交信したが、無免許FM機にSSBのバンドプランを占領された。

これ以上簡略出来ない位簡素な回路、、小さくするにはこれしかない。1stIF58.1125MHz、、2stIF10.695MHz

PLL回路、371.8875〜381.8875MHzを発信させてIF58.1125MHzの1stIFを通す。基準の10.24を1/2048分周、5Kstepに
VCOは1/2の発振周波数+VXO(60.314583×3)180.94375MHzをMIXさせる。さらに2逓倍して371MHzとす。手前で1/100
させてPLLの分周機に入れる。VXOで5KHzの補完をする。

東京ハイパワーにリニアアンプで1万円台で買えた、FMハンディ用に結構有った。

35年前に売られていた、430MHzSSBで1wのハンディ機、発売されて直ぐに買った。今でも実働、
これが出てからヤエスのハンディが出たりアイコムも出した。ベルコムは大塚に有ったメーカーながら前進は
CB機の輸出をしていた、アメリカ向けにあちらこちらのメーカーが輸出に精を出す出して、一時は家電より売り上げを伸ばしたが
アメリカが突然規格を変更して輸出が出来なくなり日本の市中にあふれて、トラックに積んで会話がしたい連中であふれた、
CB被害がアマチュア無線に降りかかった。その対策でパーソナル無線が新設された、それから携帯スマホの時代に成りパーソナル無線は絶滅した。
アマ無線も昭和40年代の水準に落ち着いた。無線が好きと言うか人と話がしたかったんですね。リグも良い物が沢山でて良かった面も多々ある。
東京ハイパワー製SSBリニア30Wの出力が嬉しい4A消費、山の移動にはどうかな?実働が嬉しい。今ではこの手の部品がほとんど買えない。