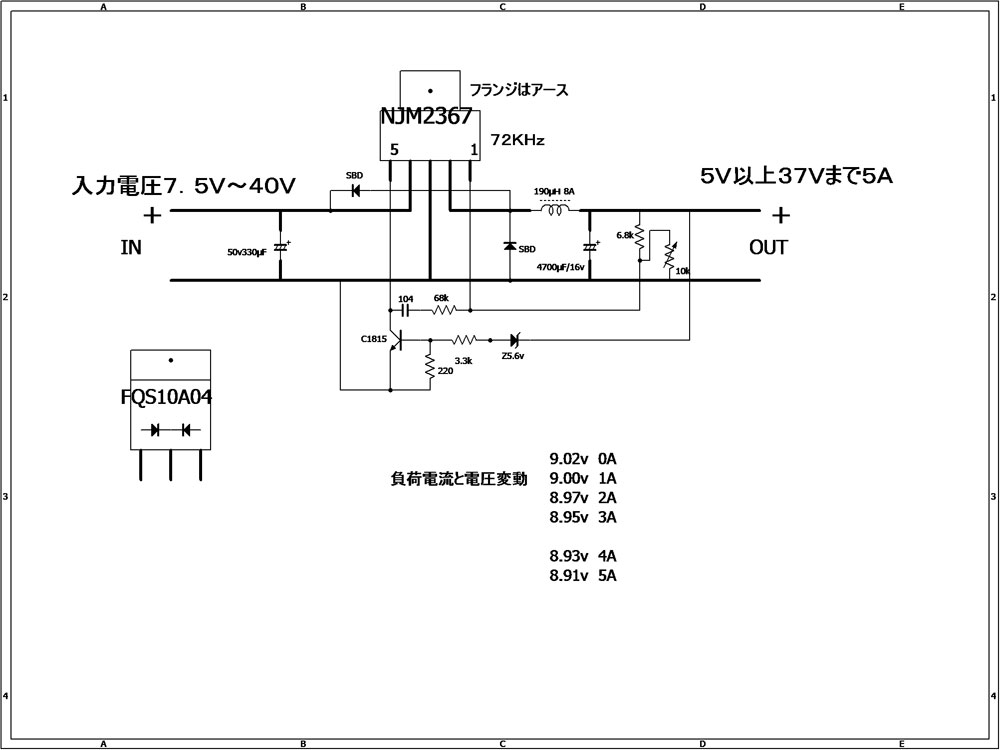
12Vのポータブル電源から9Vのデジカメ用の外部電源を作る、効率80%、電圧変動は少ない、実際は0.5Aしか流さないので、殆ど動かない、発熱はわずか、1m/m厚のアルミ板でケースを作り、ICは直付けで十分に放熱する、コイルと出力の電解コンが面積を取るので位置決めの頭を悩ます。9.22V以上、出力電圧が上がらない様にツェナーDiとC1815で回路を組む。Bの分圧抵抗でONを決める。



C1815はOUTが9.22Vに成ると電圧制限をかける回路。
シグマのデジカメには外部電源用ジャックが装備されている。


単3電池×4本対応のデジカメ用に外部電源12Vから4.5Vに落として長時間使える様に、
単3電池2本の大きさで作る。スィチング素子を使い、発熱はほとんど無し、3A対応の優れものです。