Ja0ehg'sHomePage

uSDX+transver HF8バンドSSB.CW,FM 5w

中華製、8900の格安を見つけたが1ケ月経っても届かず返金、次に13000円に格上げしてようやく手にする。


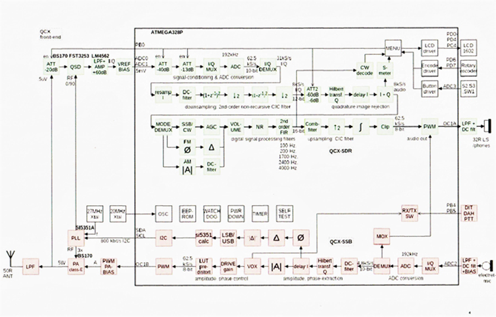
中華製V.U機と同じ作りでD.Cで低周波に変換してアナロクデジタル変換を1ツのICでやるスタイル
受信の音は少し変ながら解読できるので良しとするが。FMは本来のFMとかなり違う。。SSBで好みの
変調音にするには1.5KHz位の可変が必要、RITが付いているのでそれで変えないと相手が周波数を変えそうだ。

LPFが8バンド分実装されている。ファイナルがEクラスの電力増幅?Eクラスってどんな?switunng?

低い周波数では2次がー50dBは有るので新しい基準でがだめながら以前の値ならOK。暫定がいつまでなのか



高い周波数では音声が過大らしい

受信感度はAF信号をバルボルで振らせてSGの強さの比較。FT991の振れと比較。7.10.18MHzまでは
3dB差と素晴らしい,それ以上の周波数では10dBの差が出てしまうが13000円のTRV、コストパフォーマンス
からしたら自作しても追いつかない、OUTは5Wは出ない。リニアを作って25Wくらいは欲しい。LPFと広帯域
のRFアンプで別のケースに組み込んで解決。家電が50年前に日本脱出して何もかも国内に無くなり、RF部品が市場
に出回ら成って自作小僧は居なくなった。オーディオだけが残った。何とさみしい事か
残るは2信号特性、一部の記事には混変に強いというがD。C(ダイレクトコンバージョン)が混変に強いか疑問だ。
PSNは何にでも弱く普及しなかった.。5,60年前は狭帯域の水晶フィルーはかなり高価その為、使わない方策
を色々考えたが、結局、混変対策はUPコンヴァージョンで狭帯域のルフィングフイルターが特効薬の様だ
2信号特性を7MHzで計測。7.100MHzで受信、+7.1010MHzとー7.0990MHzを
の信号、同じ強さをハイブリッドコンパイナーに入力、AF出力をAFバルボルで表示、D.CSDRはー10dB
信号で+3dB振れる残念な結果。やはり混変には弱い。更に±30KHz離して強度を+10dBしてして印加
も結果は同じ(AGCーOFF)で致し方無し、山の上では混変に悩みそうだ。値段相当を確かめた。
FMモードは有るが受信は全く復調できず、送信は音声に成らず、29のFMは使えない。しかし超小型軽量は移動に捨てがたい。
基板の裏には何も実装されてない