(SSB送信機の調整用に低周波を入力しないと出力は出ないので必要な道具。)


以前にキットを組み立てたが、ほったらかしていた物を完成させる


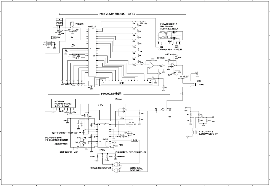
下に入れたDDSは固定周波数とし、上に入れたDDSは周波数表示付きの周波数は可変とする
50khzまで発信可能、AF-SSGとして使える。






0.65khz×2のスプリアスが大きくでてしまう。発信もCR自励の為、不安定に成ることもPLLをかけないと

ノコギリ波、矩形波も発生できる様だ、でも使わないが切り替えSWは付ける。

300Hzと2700Hzの2信号の合成低周波で変調をかけて送信、その広がりを見る。


2波合成になる。が手持ちのスペアナアダプターは50KHzの分解能が限界、手を変えないと見る事が出来ない